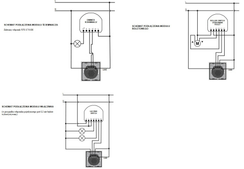
Włącznik dotykowy pojedynczy impulsowy LIVOLO - VL-C701IH Szary
Symbol: VL-C701IH Szary
Włącznik dotykowy pojedynczy impulsowy LIVOLO - VL-C701IH Szary
Dostępność:
10
szt.
Cena: 199.00



